无障碍阅读
首页
资讯西塞山
政府信息公开
互动交流
在线办事
魅力西塞山
当前位置:
首页
>
政府信息公开
>
法定主动公开内容
>
通知公告
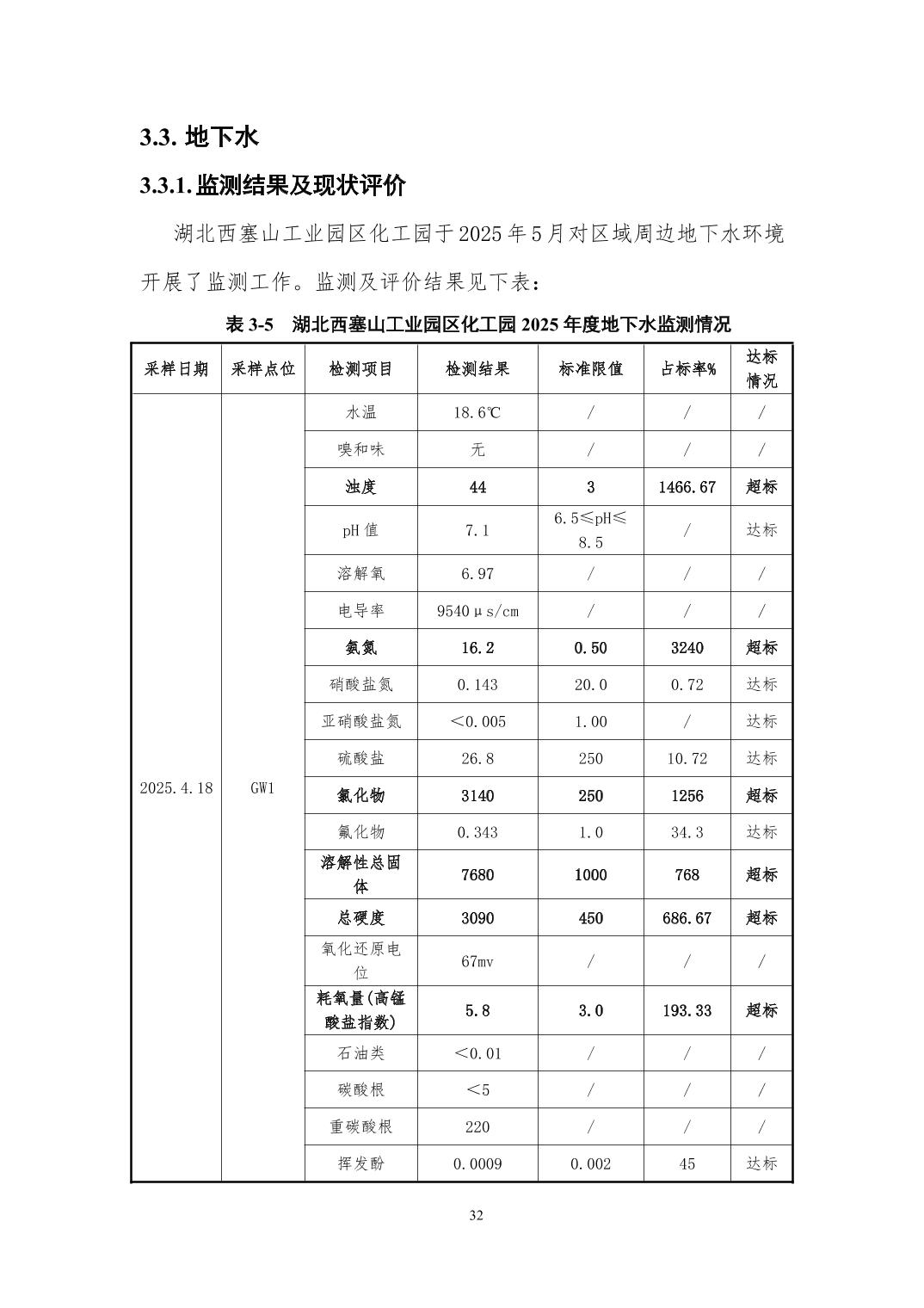
湖北西塞山工业园区化工园2025年度环境质量报告书
来源:西塞山工业园区管理委员会 时间:2026-03-11 09:00
索引号
000014349/2026-16412
主题词
发文单位
西塞山工业园区管理委员会
效力状态
有效
生效日期
失效日期
主题分类
体裁分类
发文字号
无
正文